2007 PUP 52 DECK ASSEMBLY or Bad Boy Parts number 07PUP52DK

Bad Boy Maverick Parts Diagram. 2016 MaverickDrive Arm Assembly DiagramBad Boy Mower Parts The 2021 Maverick is a powerful and efficient lawn mower designed for durability and optimal performance Whether you own a Maverick, Maverick HD, MZ Rambler, or MZ Magnum, our detailed parts diagrams ensure you can quickly locate the components you need

Bad Boy Mower Part, 2018 MAVERICK SEAT ASSEMBLY
Bad Boy Mower Part, 2018 MAVERICK SEAT ASSEMBLY from www.badboylawnmowerparts.com

At Pro Parts Place LLC, operating as Bad Boy Parts Company, we're dedicated to being your premier destination for all Bad Boy Mower Parts.Our commitment to excellence is evident through our comprehensive Bad Boy Mower Parts Lookup system, designed with user-friendliness in mind to ensure you find exactly what you need quickly and efficiently Bad Boy Maverick - Bad Boy Zero-Turn Mower Parts Lookup with Diagrams - Select Your Model (8) Hide

Bad Boy Mower Part, 2018 MAVERICK SEAT ASSEMBLY

Find all of your Bad Boy Mowers Parts or Accessories here If you're looking for replacement parts or upgrades, BadBoyMowerParts.com is your one-stop shop for all your needs The 2021 Maverick is a powerful and efficient lawn mower designed for durability and optimal performance

2020 Bad Boy Mowers Maverick Transaxle Assembly. Pull up the diagrams you need and get back to work fast. Find all of your Bad Boy Mowers Parts or Accessories here

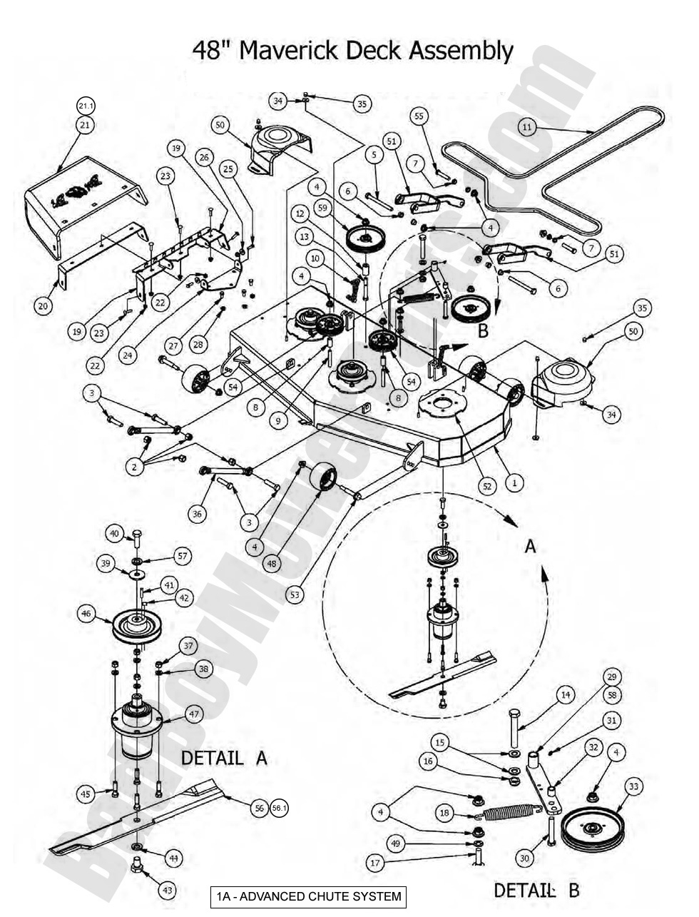
Bad Boy Mower Part, 2017 MAVERICK 60" DECK ASSEMBLY. Repair parts and diagrams for Maverick HD - Bad Boy Zero-Turn Mower 24 1 014-5020-00 2021 Maverick 54"/60" RH Pulley Cover 25 1 014-5021-00 2021 Maverick 54"/60" LH Pulley Cover 35 6 018-0010-00 Deck Wheel Bolt